当前位置: 深圳市俊业达电机科技有限公司 > 产品中心 > 风扇防护网罩 > 单片塑胶网罩 >
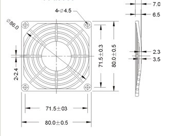
名称:80 风机塑胶网罩
产品详情
| 網 罩 產 品 說 明 | Nets Product Description |
| 產 品 名 稱:80 单片塑胶网罩 | Product Name: 80 monolithic plastic nets |
| 适用产品及设备:风机 | Applicable products and equipment: fan |
| 通风网本体材质 耐燃级ABS树脂 | Material of the ventilator Flame Retardant ABS Resin |
| 使用范围 屋内-10~+55 | Scope:room temperature from -10 to +55 |
