当前位置: 深圳市俊业达电机科技有限公司 > 产品中心 > 风扇防护网罩 > 金属铁网罩 >
名称:40 风扇铁网罩
产品详情
| 產 品 說 明 | ||
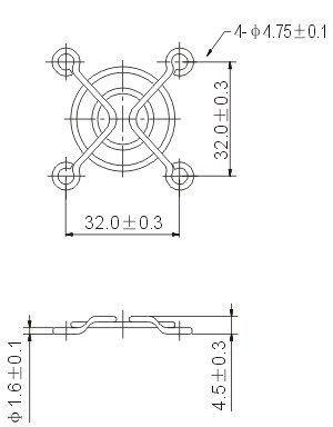
| 產 品 名 稱: | 40 铁网罩 | |
| 本 體 材 質: | SWRM6-10,1.6±0.1 | |
| 表 面 处 理: | 镀铜打底,镍、铬、光亮各一层 | |
| 拉 力 强 度: | 试验大于20KG | |
| 圈 错 边: | 以垂直目测为主无明显错位 | |
| 公 差: | 公差均为±0.5 | |
| 適 用 風 扇: | 40 mm | |
