当前位置: 深圳市俊业达电机科技有限公司 > 产品中心 > 离心管道风机 > 小型离心风机 >
名称:130FLJ离心风机
产品详情

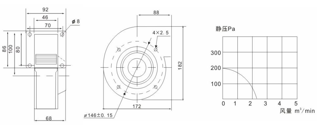
| 型号 | 电压 | 频率 | 相数 | 电流 | 功率 | 转速 | 静压 | 风量 | |||
| 規格 | (V) | (HZ) | 1/3 | (A) | (W) | RPM | mmAq | Pa | CMM | m3/h | CFM |
| 130FLJ0 | 220 | 50 | 1 | 0.3 | 60 | 2050 | 20.4 | 200 | 2.4 | 144 | 85 |
| 130FLJ03 | 380 | 50 | 1 | 0.2 | 60 | 2050 | 20.4 | 200 | 2.4 | 144 | 85 |
