当前位置: 深圳市俊业达电机科技有限公司 > 产品中心 > 散热风扇 > 直流鼓风机选型 >
名称:35×35×10mm DC鼓风机
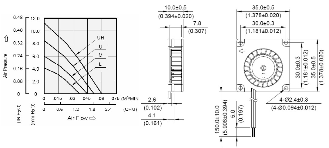
产品详情

| 品牌 | 轴承 | 电压 | 启动电压 | 电流 | 功率 | 转速 | 风量 | 静压 | 噪音 | ||
| 型号 | B/S | V | V | A | W | RPM | m3/min | CFM | mm-H2O | In-H2O | dba |
| SP0310_05L | B / S | 5 | 4.5~5.5 | 0.05 | 0.25 | 5500 | 0.038 | 1.34 | 4.14 | 0.163 | 24.0 |
| SP0310_12L | B / S | 12 | 7.0~13.2 | 0.04 | 0.48 | 5500 | 0.038 | 1.34 | 4.14 | 0.163 | 24.0 |
| SP0310_05M | B / S | 5 | 4.5~5.5 | 0.08 | 0.40 | 6500 | 0.045 | 1.59 | 6.00 | 0.236 | 26.0 |
| SP0310_12M | B / S | 12 | 7.0~13.2 | 0.05 | 0.60 | 6500 | 0.045 | 1.59 | 6.00 | 0.236 | 26.0 |
| SP0310_05H | B / S | 5 | 4.5~5.5 | 0.11 | 0.55 | 7500 | 0.052 | 1.84 | 8.50 | 0.335 | 29.0 |
| SP0310_12H | B / S | 12 | 7.0~13.2 | 0.06 | 0.72 | 7500 | 0.052 | 1.84 | 8.50 | 0.335 | 29.0 |
| SP0310_05U | B / S | 5 | 4.5~5.5 | 0.15 | 0.75 | 8500 | 0.060 | 2.12 | 11.25 | 0.443 | 31.0 |
| SP0310_12U | B / S | 12 | 7.0~13.2 | 0.08 | 0.96 | 8500 | 0.060 | 2.12 | 11.25 | 0.443 | 31.0 |
