当前位置: 深圳市俊业达电机科技有限公司 > 产品中心 > 散热风扇 > 直流鼓风机选型 >
名称:75×75×20mm DC鼓风机
产品详情

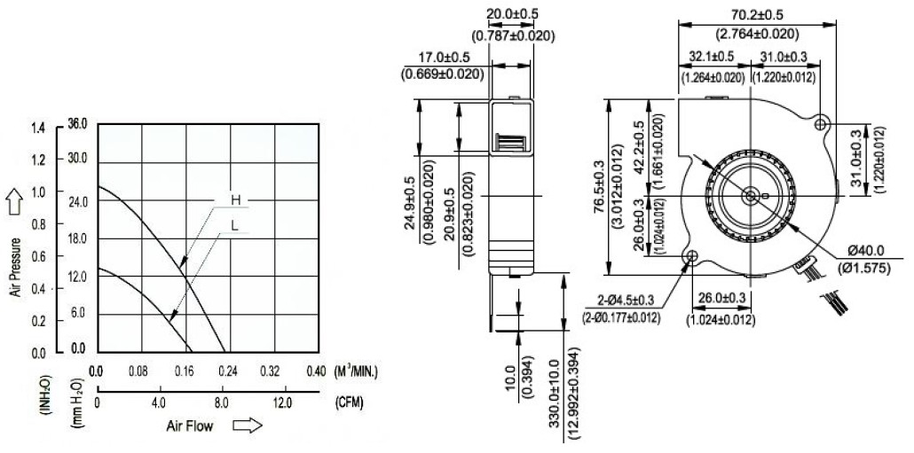
| 品牌 | 轴承 | 电压 | 启动电压 | 电流 | 功率 | 转速 | 风量 | 静压 | 噪音 | ||
| 型号 | B/S | V | V | A | W | RPM | m3/min | CFM | mm-H2O | In-H2O | dba |
| SP75B05L-20DL | B / S | 5 | 4.5~5.5 | 0.26 | 1.30 | 2800 | 0.17 | 6.07 | 13.36 | 0.56 | 32.5 |
| SP75B12L-20DL | B / S | 12 | 7.0~13.2 | 0.13 | 1.56 | 2800 | 0.17 | 6.07 | 13.36 | 0.56 | 32.5 |
| SP75B24H-20DL | B / S | 12 | 7.0~13.2 | 0.31 | 3.72 | 4000 | 0.23 | 8.52 | 26.27 | 1.03 | 42.0 |
