当前位置: 深圳市俊业达电机科技有限公司 > 产品中心 > 散热风扇 > 直流鼓风机选型 >
名称:50×50×20mm DC鼓风机
产品详情

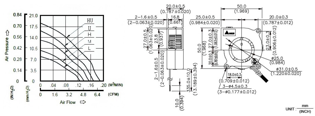
| 品牌 | 轴承 | 电压 | 启动电压 | 电流 | 功率 | 转速 | 风量 | 静压 | 噪音 | ||
| 型号 | B/S | V | V | A | W | RPM | m3/min | CFM | mm-H2O | In-H2O | dba |
| SP50B05L-20DL | B / S | 5 | 4.5~5.5 | 0.24 | 1.20 | 3700 | 0.13 | 4.45 | 7.85 | 0.31 | 28.0 |
| SP50B12L-20DL | B / S | 12 | 7.0~13.2 | 0.12 | 1.44 | 3700 | 0.13 | 4.45 | 7.85 | 0.31 | 28.0 |
| SP50B05M-20DL | B / S | 5 | 4.5~5.5 | 0.26 | 1.30 | 4100 | 0.14 | 4.91 | 9.82 | 0.39 | 31.0 |
| SP50B12M-20DL | B / S | 12 | 7.0~13.2 | 0.13 | 1.56 | 4100 | 0.14 | 4.91 | 9.82 | 0.39 | 31.0 |
| SP50B05H-20DL | B / S | 5 | 4.5~5.5 | 0.28 | 1.40 | 4500 | 0.16 | 5.51 | 13.12 | 0.52 | 33.8 |
| SP50B12H-20DL | B / S | 12 | 7.0~13.2 | 0.14 | 1.68 | 4500 | 0.16 | 5.51 | 13.12 | 0.52 | 33.8 |
| SP50B05U-20DL | B / S | 5 | 4.5~5.5 | 0.32 | 1.60 | 4900 | 0.17 | 5.83 | 16.15 | 0.64 | 36.5 |
| SP50B12U-20DL | B / S | 12 | 7.0~13.2 | 0.16 | 1.92 | 4900 | 0.17 | 5.83 | 16.15 | 0.64 | 36.5 |
| SP50B12UH-20DL | B / S | 12 | 7.0~13.2 | 0.23 | 2.76 | 5300 | 0.19 | 6.75 | 18.60 | 0.73 | 38.5 |
